Size: a a a

K3D - Всё о 3d печати

2019 April 27

IS

Igor Simonov in K3D - Всё о 3d печати
источник

IS

Igor Simonov in K3D - Всё о 3d печати
источник

IS

Igor Simonov in K3D - Всё о 3d печати
Вот тоже мк8. Был
источник

IS

Igor Simonov in K3D - Всё о 3d печати
источник

O

Ololosh in K3D - Всё о 3d печати
источник

O

Ololosh in K3D - Всё о 3d печати
теперь я запутался
источник

IS

Igor Simonov in K3D - Всё о 3d печати
Ololosh
Резьба МК8, но сопла у тебя удлинненные.
А те, что узкие-это вообще какаха
источник

O

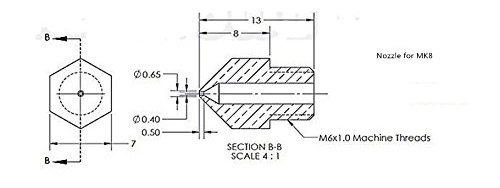
Ololosh in K3D - Всё о 3d печати
этой картинке можно верить?
источник

ЕМ

Евгений Макаров... in K3D - Всё о 3d печати
Оу дааа! Кура сучка крашенная! 😁 Слик3р поставил и запечатало.
источник

ЕМ

Евгений Макаров... in K3D - Всё о 3d печати
Сутки из-за нее с принтаком возился.
источник

O

Ololosh in K3D - Всё о 3d печати
источник

O

Ololosh in K3D - Всё о 3d печати
по длинне идентичные
источник

IS

Igor Simonov in K3D - Всё о 3d печати
Ololosh
Толстые лучше. Но ты их не меряй, а сверловку глянь. Она важнее
источник

IS

Igor Simonov in K3D - Всё о 3d печати
Должно быть ровно по центру, идеально круглое, с ровной узкой каймой.
источник

O

Ololosh in K3D - Всё о 3d печати
источник

O

Ololosh in K3D - Всё о 3d печати
слева штатное, справа два купленных
источник

O

Ololosh in K3D - Всё о 3d печати
шото онм все неочень
источник

O

Ololosh in K3D - Всё о 3d печати
правое на вид самое приличное
источник

IS

Igor Simonov in K3D - Всё о 3d печати
Похоже
источник

O

Ololosh in K3D - Всё о 3d печати
источник