Size: a a a

UzDev – Сообщество разработчиков Узбекистана

2018 December 30

Z

Ziko in UzDev – Сообщество разработчиков Узбекистана
ну расскажите
источник

Z

Ziko in UzDev – Сообщество разработчиков Узбекистана
что там как там
источник

Z

Ziko in UzDev – Сообщество разработчиков Узбекистана
коротко и ясно
источник

Б

Ботир in UzDev – Сообщество разработчиков Узбекистана
сейчас
источник

Б

Ботир in UzDev – Сообщество разработчиков Узбекистана
исправлю
источник

Б

Ботир in UzDev – Сообщество разработчиков Узбекистана
Ziko
коротко и ясно
в ноуте все норм могу программировать
источник

Б

Ботир in UzDev – Сообщество разработчиков Узбекистана
перевел на стационарную но там не хочет читать буквы
источник

Б

Ботир in UzDev – Сообщество разработчиков Узбекистана
виндовс оригинал переустановка  не вариант.
источник

Б

Ботир in UzDev – Сообщество разработчиков Узбекистана
он с ключами и т.д.
источник

Б

Ботир in UzDev – Сообщество разработчиков Узбекистана
источник

Z

Ziko in UzDev – Сообщество разработчиков Узбекистана
это где? в какой программе?
источник

Б

Ботир in UzDev – Сообщество разработчиков Узбекистана
Ziko
это где? в какой программе?
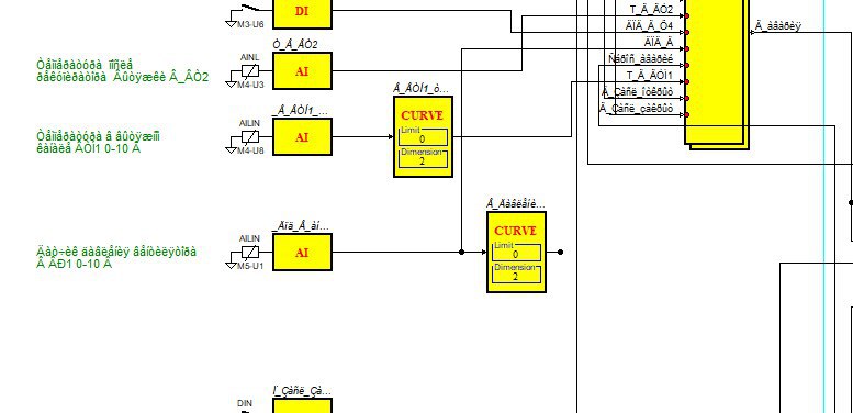
ecotruxure
источник

Б

Ботир in UzDev – Сообщество разработчиков Узбекистана
это не совсем для программистов
источник

Б

Ботир in UzDev – Сообщество разработчиков Узбекистана
программа для автоматизации обьектов
источник

Б

Ботир in UzDev – Сообщество разработчиков Узбекистана
шнайдерский
источник

Z

Ziko in UzDev – Сообщество разработчиков Узбекистана
Ботир
ecotruxure
она открывает проекты чтоли?
источник

Б

Ботир in UzDev – Сообщество разработчиков Узбекистана
Ziko
она открывает проекты чтоли?
на нем создаеться проект
источник

Б

Ботир in UzDev – Сообщество разработчиков Узбекистана
и открывает и т..д.
источник

Б

Ботир in UzDev – Сообщество разработчиков Узбекистана
это не одна программа. там можно и визуализацию делать и программную часть
источник

Z

Ziko in UzDev – Сообщество разработчиков Узбекистана
короче, если в программе иероглифы то помоему это от винды
источник