Size: a a a

Автономные Технологии

2021 June 11

КХ

Кобил Холов... in Автономные Технологии
источник

КХ

Кобил Холов... in Автономные Технологии
источник

КХ

Кобил Холов... in Автономные Технологии
Привет коллеги скажите что это такое
источник

22

2 2 in Автономные Технологии
катушка зажигания
источник

КХ

Кобил Холов... in Автономные Технологии
Можете поподробнее рассказать для чего и зачем используют
источник

22

2 2 in Автономные Технологии
в гугл вбей катушка зажигания ВАЗ , Скорее всего и почитай
источник

КХ

Кобил Холов... in Автономные Технологии
Спасибо
источник
2021 June 13

SR

Sergey Romanov in Автономные Технологии
Вопрос. Есть ПЧВ. У него устанвока 5 см с боку пустого места. Если с боку стот другой ПЧВ то какое между ними должно быть растояние 5 или 10? Для каждого по 5 до ближайшего предмета, или нужно каждому по 5 и получится 10?
источник

ТИ

Тут И Там in Автономные Технологии
У меня три в шкафу между ними по 10 см и то варятся.
Сейчас вентиляцию делаю оотдельную
источник

Д

Денис in Автономные Технологии
источник

Д

Денис in Автономные Технологии
У шнайдера в картинках >= 50. Но когда они два рядом их не ставят на расстоянии >= 100.
источник

SR

Sergey Romanov in Автономные Технологии
Понятно. В моей книжке шнайдера этого нету, только единичная установка. Спасибо.
источник

EZ

Evgeniy Zolotoy in Автономные Технологии
Доброго всем дня, есть вакансия для 2х человек грамотные монтажники инженеры КИПиА (в основном общеобменная вентиляция хладоснабжение и ИТП ну и немного энергетики) на постоянной основе, возможны командировки Москва - Питер, в основном в Москве , может кому интересно по зп определимся на собеседовании, смотря какие навыки и умения присутствуют)
источник

Р

Регион 04KG in Автономные Технологии
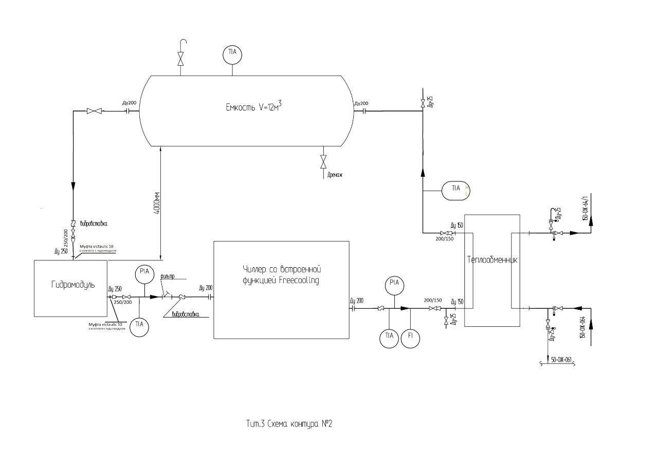
Фото от Регион 04 KG
источник

Р

Регион 04KG in Автономные Технологии
Братья электрики. Этот бокс как снимать с магистрали?
источник
2021 June 14

VF

Vit Fil in Автономные Технологии
Добрый день! Для панели weintek cMT3162X нужно создать интерфейс системы охлаждения.  Если кому-то будет интересно, то напишите в личном сообщении.
источник
2021 June 15

AL

Alexandr Leo in Автономные Технологии
Добрый день!
На данной панели отсутствует порт Ethernet. Могу ли я без него передавать данные на АРМ, если порт rs 232/485 занят (принимает через него данные с ПЛК)?
источник

O

Odnoworow in Автономные Технологии
По идее, в сети модбаса не может быть двух мастеров: панель опрашивает плк и арм опрашивает панель. Вероятно возникновение коллизий.
Вижу два варианта)
1. Всегда хотел попробовать сделать синхронизацию устройств по времени. Например, одну минуту мастером будет панель, следующую минуту - Арм и так далее.
2. Ну или попробовать сконфигурировать и панель и Арм как слейвов.
источник

VL

Vyacheslav Lapshin in Автономные Технологии
Если нужно два мастера и это Modbus TCP, то можно разделить по портам. Взять например 502 и 503
источник

VL

Vyacheslav Lapshin in Автономные Технологии
По п.2 и панель и АРМ всегда должны быть мастерами сети. Иначе рушится основная концепция - анализ сети
источник