Size: a a a

Чат | Электрики 🔌💡

2020 March 04

NK

ID:961388263 in Чат | Электрики 🔌💡
это вот от этого счетчика
источник

NK

ID:961388263 in Чат | Электрики 🔌💡
источник

NK

ID:961388263 in Чат | Электрики 🔌💡
для 3ех фазного 15квт подключения как я понимаю он подходит?
а включать его надо по схеме выше?
источник

NK

ID:961388263 in Чат | Электрики 🔌💡
1-3
4-6
7-9
10- N
источник

MS

Maksym Samofalov in Чат | Электрики 🔌💡
Счетчик электроэнергии трехфазный ЦЭ6803В Р31 - АО «Энергомера»
http://www.energomera.ru/ru/products/meters/ce6803v-r31
источник

MS

Maksym Samofalov in Чат | Электрики 🔌💡
Maksym Samofalov
Счетчик электроэнергии трехфазный ЦЭ6803В Р31 - АО «Энергомера»
http://www.energomera.ru/ru/products/meters/ce6803v-r31
Тут более точная информация.
источник

MS

Maksym Samofalov in Чат | Электрики 🔌💡
А так, нормальный счётчик. Энергомера довольно известная компания, и их счётчики мне лично нравятся
источник

ДА

Дмитрий Андреевич... in Чат | Электрики 🔌💡
ID:961388263
странный какой то счетчик
Чем же он странный?
источник

I

Iva in Чат | Электрики 🔌💡
Maksym Samofalov
А так, нормальный счётчик. Энергомера довольно известная компания, и их счётчики мне лично нравятся
В моем рейтинге, 2-е место после Меркуриев
источник

АФ

Анатолий Ф. in Чат | Электрики 🔌💡
Iva
В моем рейтинге, 2-е место после Меркуриев
А чем Меркурии лучше?
источник

АФ

Анатолий Ф. in Чат | Электрики 🔌💡
Доброе утро чат
источник

I

Iva in Чат | Электрики 🔌💡
Анатолий Ф.
А чем Меркурии лучше?
Классом точностью и качеством.
источник

ДА

Дмитрий Андреевич... in Чат | Электрики 🔌💡
Iva
Классом точностью и качеством.
Классы точности для бытового сектора у них одинаковые. Про качество спорный вопрос
источник

АФ

Анатолий Ф. in Чат | Электрики 🔌💡
То есть в быту в принципе пофигу какого производства счетчик?
источник

ИF

Илья FogY in Чат | Электрики 🔌💡
Анатолий Ф.
То есть в быту в принципе пофигу какого производства счетчик?
Именно ;)
источник

ИF

Илья FogY in Чат | Электрики 🔌💡
Но, что бы быть спокойным, то лучше погрузить их)
источник

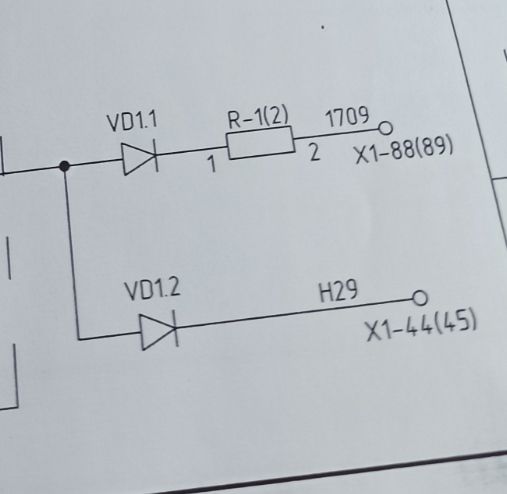
SG

Sergey Gomza in Чат | Электрики 🔌💡
Имеется две диодные сборки КД205А,как их правильно собрать вот по этой схеме
источник

П

Павел in Чат | Электрики 🔌💡
о, тема...
подскажите марки/модели бытовых счетчиков с возможностью передачи данных по кабелю или вайфай.
источник

Am

Andrey masterey in Чат | Электрики 🔌💡
источник

NK

ID:961388263 in Чат | Электрики 🔌💡
так что это за перемычки, на фото их не видн
источник