Size: a a a

Чат | Электрики 🔌💡

2021 May 13

VR

Vartan RedMan in Чат | Электрики 🔌💡
не заметил(
источник

А

Артур in Чат | Электрики 🔌💡
Если найдете, то конечно. :)
источник

VR

Viktor R. in Чат | Электрики 🔌💡
И тестера у вас конечно же нет?
источник

VR

Viktor R. in Чат | Электрики 🔌💡
Открутите болты крышки, окройте и гляньте, может у вас проводок отвалился от автомата))
источник

VR

Viktor R. in Чат | Электрики 🔌💡
Если там все в порядке, и нет тестера - вызывайте электрика.
источник

А

Артур in Чат | Электрики 🔌💡
Если человек для замены лампочек отключает свет, то я рекомендовать ему индикатор не рискну.
источник

VR

Viktor R. in Чат | Электрики 🔌💡
Иначе это гадание на кофе
источник

VR

Viktor R. in Чат | Электрики 🔌💡
Я индикатор не спрашивал
источник

VR

Viktor R. in Чат | Электрики 🔌💡
Я вольтметр или мультик имел ввиду
источник

А

Артур in Чат | Электрики 🔌💡
Его чаще можно встретить, чем тестер
источник

VR

Viktor R. in Чат | Электрики 🔌💡
Понимаю, но не советую никому
источник

ДА

Дмитрий Андреевич... in Чат | Электрики 🔌💡
У меня есть такой))))
источник

A

Andrew in Чат | Электрики 🔌💡
я на работе так делаю, когда накаливания меняю)
источник

Ри

Ринат исенов... in Чат | Электрики 🔌💡
Я тоже только в телеге и ютуб
источник

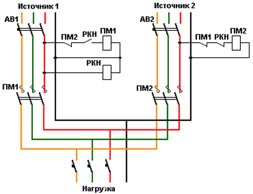
To

Tima one in Чат | Электрики 🔌💡
Авр схема есть актуальная?
источник

A

Andrew in Чат | Электрики 🔌💡
ну да, ведь схемы авр постоянно устаревают
источник

P

Prikolist in Чат | Электрики 🔌💡
Каждый день новая выходит
источник

P

Prikolist in Чат | Электрики 🔌💡
На
источник

DF

De Foliant in Чат | Электрики 🔌💡
Токсичное коммьюнити)
источник

P

Prikolist in Чат | Электрики 🔌💡
Какой вопрос такой и ответ😂
источник