Size: a a a

Чат опять про Fusion 360

2021 May 31

DK

Denis K in Чат опять про Fusion 360
хм... ну да, если примерно то норм
источник

AV

Anton Vasiliev in Чат опять про Fusion 360
ну так это не велдмент. он не знает что у него есть параметр длина
источник

DK

Denis K in Чат опять про Fusion 360
ктомент? 😳
источник

AV

Anton Vasiliev in Чат опять про Fusion 360
weldment, sheetmatal - гибридные режимы моделирования
источник

AV

Anton Vasiliev in Чат опять про Fusion 360
в которых свои инструменты сразу под технологию
источник

AV

Anton Vasiliev in Чат опять про Fusion 360
велдмент - сварные конструкции
источник

DK

Denis K in Чат опять про Fusion 360
хм, не сталкивался еще... "по старинке" рисую прост телами
источник

AV

Anton Vasiliev in Чат опять про Fusion 360
во фьюже его и нет.. пока
источник

DK

Denis K in Чат опять про Fusion 360
ааа) ну ок)
источник

AV

Anton Vasiliev in Чат опять про Fusion 360
но в ютубе можете посмотреть примеры. там достаточно удобно. по 3д эскизу можно быстро натягивать каркасы, меняя тип профиля в "один клик" и тип стыковки в узле
источник

B

Belks in Чат опять про Fusion 360
Да он и с платной странный какой-то)
источник

DK

Denis K in Чат опять про Fusion 360
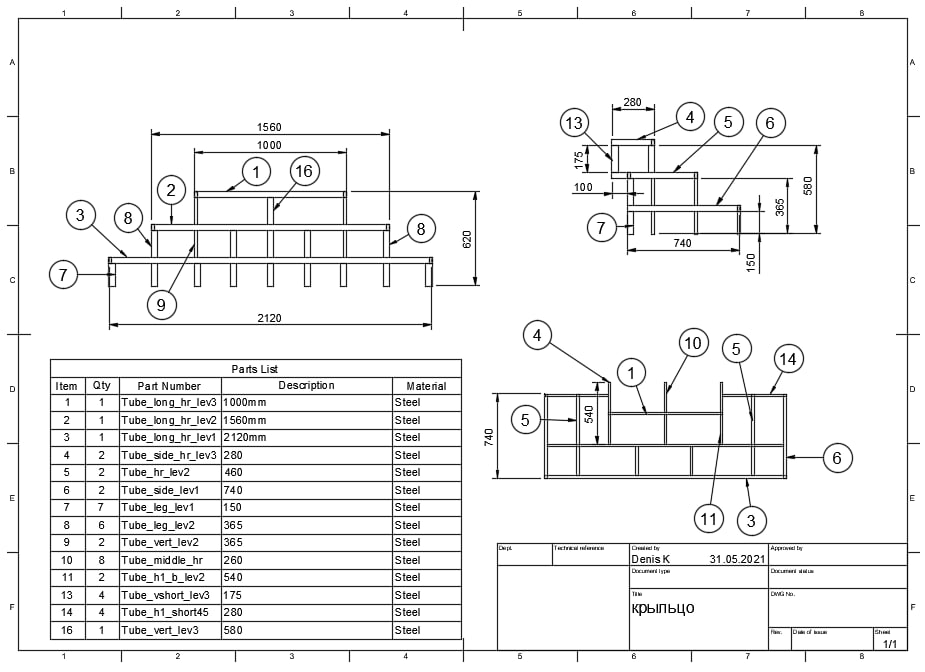
осталось посчитать общую длину)))🤪
источник

ВС

Вадим Самаев... in Чат опять про Fusion 360
Добрый вечер Всем! Проблема при открытии некоторые bodies меняются названиями, не критично но, чуть надоедает. Я не пользуюсь телеграммы и если не смогу ответить, то я сделал что-то не так, Спасибо заранее.
источник

DK

Denis K in Чат опять про Fusion 360
и как в итоге получилось?) из какого профиля делали?
источник

К

Коля in Чат опять про Fusion 360
Не знал. Тем не менее, это всё же быстрее будет, чем прокликивать ненужные вручную.
источник

AF

Andrew F. in Чат опять про Fusion 360
50я труба
источник

AF

Andrew F. in Чат опять про Fusion 360
над фотки искать, но там обшито
кровать в подиуме под кухней
источник
2021 June 01

НП

Николай Пантелеев... in Чат опять про Fusion 360
И тут достали...
источник

НП

Николай Пантелеев... in Чат опять про Fusion 360
источник

VI

Volodumur Ivanovuch in Чат опять про Fusion 360
доброго утра.
мой фьюж слетел, по ссылке на активацию могу попасть либо учебная либо платная, была любительская. Если кто подскажет как восстановить. буду благодарен.
источник