Size: a a a

2021 April 24

А

Алексей in Home Assistant
У меня нет акары, она дорогая, купил zhtz02lm, и переделал на SLS... :-(
источник

А

Алексей in Home Assistant
Да, я как раз протестил, не сбрасывает по заданному таймеру в SLS... :-(
источник

A

AlexReddy ✈️ in Home Assistant
Ну тогда пайку в ДД и сервисный режим, если нужен тайм аут меньше 60 сек
источник

А

Алексей in Home Assistant
Поживем, посмотрим как оно на практике будет себя вести, на сколько это критично...
источник

D

Divan in Home Assistant
перевести ДД в сервисный режим не сложно, но зато появится возможность указывать диапазон времени сброса статуса движения от 5 сек и выше. Я почти все свои ДД перевел в сервисный режим
источник

А

Алексей in Home Assistant
Ща разбираюсь с карточкой пылесоса в HA, потом займусь ДД...
источник

А

Алексей in Home Assistant
А затем чайником Сяоми буду заниматься, что бы в НА тоже управлялся... 😂
источник

D

Divan in Home Assistant
Наша Алиса )
источник

DL

Dmitriy Lakshinskij in Home Assistant
Шикарно. +10 лет жизни добавил. Плачу)))
источник

PV

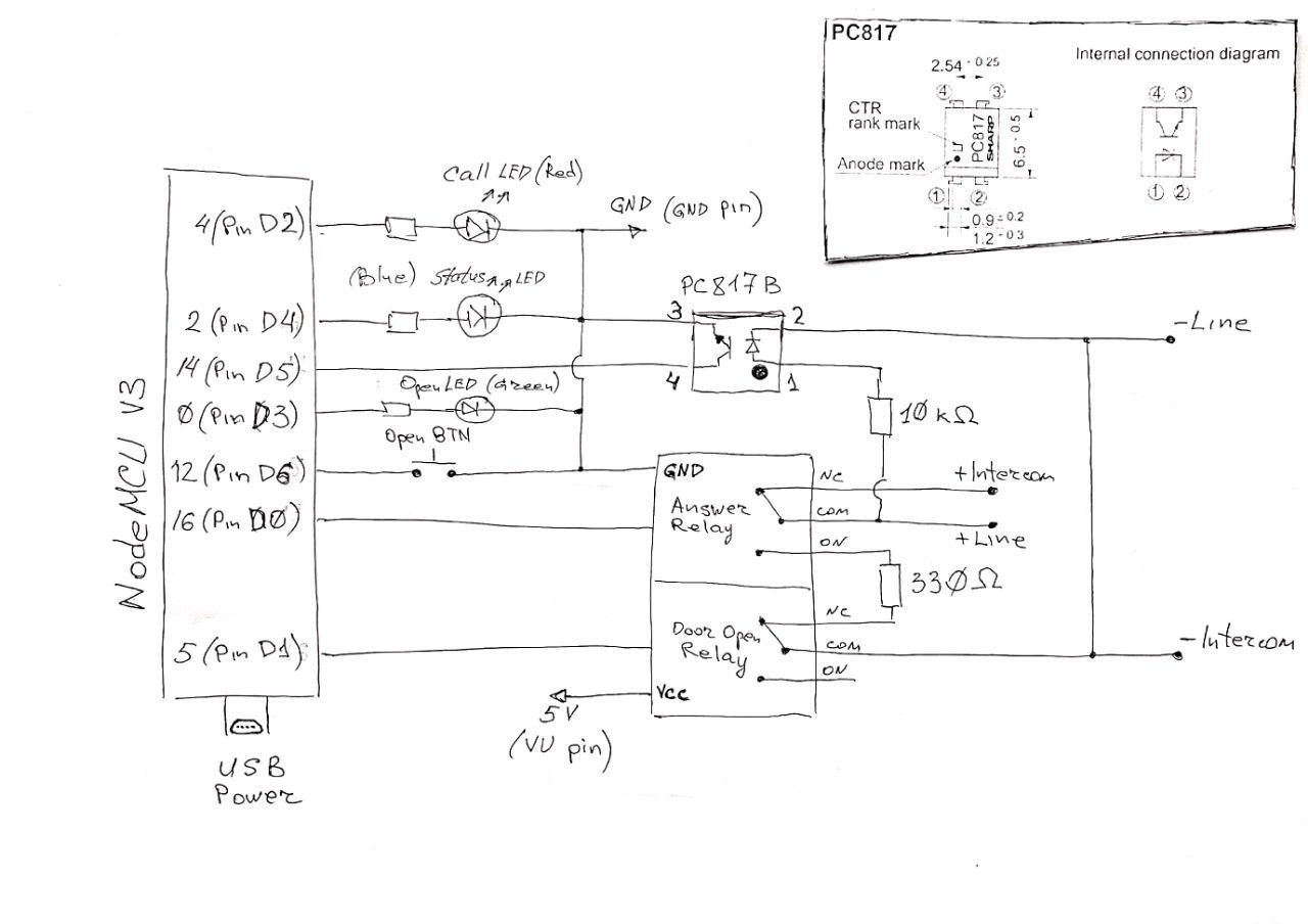
Pavel Vorobev in Home Assistant
Доброго дня. Собираю домофон по схеме Николая, не понятно где брать выводы Интерком? Искать схему на свой домофон и подпаяиваться к пятакам на плате?
источник

ДЦ

Дмитрий Цымбал... in Home Assistant
выводы интерком - это трубка
источник

PV

Pavel Vorobev in Home Assistant
Я line + и line - подключаю к реле с есп, выводы intercom идут к домофону к подключению l+ и l- так?
источник

Ж

Женя in Home Assistant
@bessarabov Иван ты описал тут несколько устройств с сухим контактом. https://ivan.bessarabov.ru/blog/relay-with-dry-contacts   Но мне надо чтоб сухих контактов было больше двух. Ты не слышал про такие устройства? Просто не хочется на примитивные жалюзи вешать два резе. чтоб одно вкл. другое выкл.
источник

ДЦ

Дмитрий Цымбал... in Home Assistant
к контактам лайн цепляем то, что торчит из стены.  а контактам интерком цепляем трубку
источник

PV

Pavel Vorobev in Home Assistant
Все понял, спасибо)
источник

Ж

Женя in Home Assistant
Павел, а для какого домофона схема?
источник

PV

Pavel Vorobev in Home Assistant
Так это общая
источник

PV

Pavel Vorobev in Home Assistant
источник

Ж

Женя in Home Assistant
спасибо. понял. читал когда то это статью.
источник

IB

Ivan Bessarabov in Home Assistant
Кажется, на sonoff 4ch сухой контакт. Но это не точно.
источник