Size: a a a

Анархическая электроника

2020 October 13

П

Павел in Анархическая электроника
источник

S

Spanish Inquisition in Анархическая электроника
Очищенные ссылки от Павел:
* https://aliexpress.com/item/32869065845.html
источник

П

Павел in Анархическая электроника
вот кстати похоже с развязкой
источник

g

glavior in Анархическая электроника
Че э то?
источник

П

Павел in Анархическая электроника
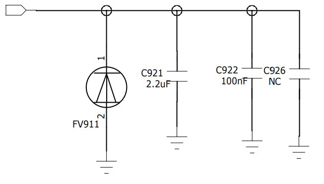
схема)
источник

П

Павел in Анархическая электроника
но по виду батарейка кондер и нулевка
источник

g

glavior in Анархическая электроника
для чего ?
источник

SE

Suigintou45 E14 in Анархическая электроника
glavior
Че э то?
это бкбт!
источник

g

glavior in Анархическая электроника
Suigintou45 E14
это бкбт!
спс ко
источник

g

glavior in Анархическая электроника
Павел
но по виду батарейка кондер и нулевка
зачем она в телефоне нужна?
источник

g

glavior in Анархическая электроника
что она питает?
источник

g

glavior in Анархическая электроника
NC что это значит?
источник

g

glavior in Анархическая электроника
no component?
источник

g

glavior in Анархическая электроника
no capacitor?
источник

g

glavior in Анархическая электроника
типа что бы настройки не сбрасывались если вытащил акум?
источник

7

777Andrej in Анархическая электроника
источник

N

Nelson in Анархическая электроника
Как можно присвоить какой-то переменной определенный пин?
источник

7

777Andrej in Анархическая электроника
Услуги Гугла, не дорого 5$
источник

N

Nelson in Анархическая электроника
Nelson
Как можно присвоить какой-то переменной определенный пин?
А было бы лучше, если бы какую-то статью годную)
источник

g

glavior in Анархическая электроника
777Andrej
Услуги Гугла, не дорого 5$
Говори номер карты
источник