Size: a a a

2020 December 13

G

GNU/Плюшка in Deus Volt!
Imya Familiev
не стоит брать эту залупу с китая, пару раз брали - обжимки тупо до конца не смыкают губки
у меня 03BC, вроде более-менее обжимают, регулятор есть
источник

G

GNU/Плюшка in Deus Volt!
правда я их потаскал в машине в ящике с инструментом, пластиковые накладки на ручках от такого просто рассыпались
источник

jp

jon pedro in Deus Volt!
Alexander Danilov
Низя паять их. Провод будет обламываться в месте пайки. Их не случайно обжимают. Либо жёстко фиксировать выходящий провод рядом с разъёмом.
Спасибо, буду знать
источник

AM

Alexander Mikhalchuk in Deus Volt!
Всем привет. Подскажите как правильно называются эти штуки что бы найти их на моузере.
источник

НГ

Нафис Гимранов... in Deus Volt!
Alexander Mikhalchuk
Всем привет. Подскажите как правильно называются эти штуки что бы найти их на моузере.
это джойстик жеж обычный
источник

AM

Alexander Mikhalchuk in Deus Volt!
Да это понятно, нормальной документа немогу найти что бы сделать футпринт
источник

A

Al in Deus Volt!
источник

KT

Kirill Trepakov in Deus Volt!
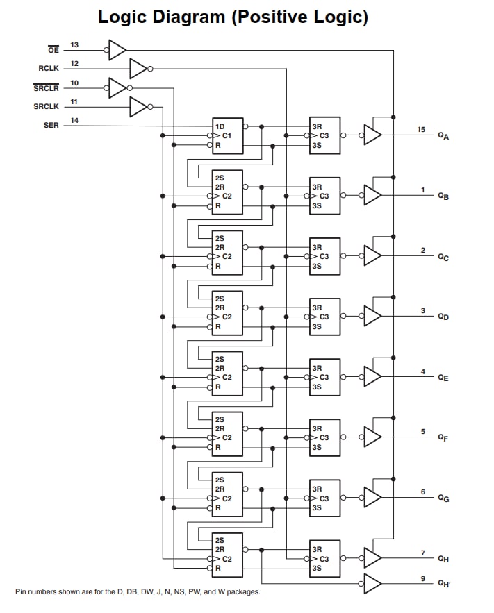
Камрады, кто с Multisim работает, нигде не могу найти модель 74HC595, ну что за жопа-то....
источник

С

Саша in Deus Volt!
немогу не как подружить esp32 и lcd 1602 через i2c,micropython
источник

I

Indr1x in Deus Volt!
Kirill Trepakov
Камрады, кто с Multisim работает, нигде не могу найти модель 74HC595, ну что за жопа-то....
возьмите другой регистр.  74HC164 такой есть?
источник

KT

Kirill Trepakov in Deus Volt!
Indr1x
возьмите другой регистр.  74HC164 такой есть?
Есть, но у него выход не 3-state и  без latch
источник

KT

Kirill Trepakov in Deus Volt!
Indr1x
возьмите другой регистр.  74HC164 такой есть?
Для сравнения 595 и 164
источник

KT

Kirill Trepakov in Deus Volt!
Indr1x
возьмите другой регистр.  74HC164 такой есть?
источник

I

Indr1x in Deus Volt!
да, я посмотрел уже
источник

KT

Kirill Trepakov in Deus Volt!
так что к 164 ещё дофига костылей получется
источник

MM

MaySpace21 MaySpace in Deus Volt!
Добрый вечер, товарищи. Кто-нибудь не встречал на просторах хороший мануал по аппаратным интерфейсам , где теория для прожаренных чайников?
источник

K

Krasmah in Deus Volt!
Наткнулся тут на работе, норм кварц разведен? :)
источник

И

Илья in Deus Volt!
Krasmah
Наткнулся тут на работе, норм кварц разведен? :)
Работать будет че нет, только не понятно нахера дорожку ровняли, там частота мизер. Разве что показать "смотрите, знаю такой инструмент"
источник

VK

Vladimir Komissarov in Deus Volt!
Krasmah
Наткнулся тут на работе, норм кварц разведен? :)
источник

jp

jon pedro in Deus Volt!
Илья
Работать будет че нет, только не понятно нахера дорожку ровняли, там частота мизер. Разве что показать "смотрите, знаю такой инструмент"
А с каких частот обычно ровняют дорожки?
источник